○茨城町犬の鑑札及び狂犬病予防注射済票等に関する事務処理要領
令和7年12月2日
要領第10号
(目的)
第1条 この要領は,犬の狂犬病予防事業を推進し,公衆の衛生の向上を図るとともに,犬の所有者の利便性を高めることを目的とする。
(委託先病院の登録等)
第2条 犬の鑑札及び狂犬病予防注射済票等に関する事務の委託を受けようとする診療施設(以下「委託先病院」という。)は,茨城町鑑札及び注射済票に関する事務委託先病院登録申請書(様式第1号)を町長に提出するものとする。
3 委託先病院は,申請書に記載した事項に変更が生じたときは,速やかに茨城町事務委託先病院変更届(様式第3号)を町長に提出するものとする。
(期間と更新)
第3条 前条第2項の協定の期間は,協定締結の日から翌年3月31日(協定締結の日が1月1日から3月30日までにあっては,協定締結の日の属する年の3月31日)までとする。ただし,協定書の有効期間満了の1月前までに特段の申出がない場合は,1年間有効期間を延長するものとし,その後も同様とする。
(権利義務の譲渡等)
第4条 委託先病院は,第2条第2項の協定によって生ずる権利又は義務を第三者に譲渡し,又は継承させてはならない。
(委託事務の内容)
第5条 委託先病院は,次の各号に掲げる事務を行うものとする。
(1) 犬の登録の申請に係る受付及び犬の鑑札(以下「鑑札」という。)の交付に関する事務
(2) 狂犬病予防注射済票(以下「注射済票」という。)の交付の申請及び注射済票の交付に関する事務
(3) 茨城町手数料条例(平成12年茨城町条例第18号)別表1に規定する犬の登録手数料(以下「登録手数料」という。)及び犬の予防注射済票の交付手数料(以下「注射済票交付手数料」という。)の収納及び保管に関する事務
(4) 前各号に掲げる事務に関する報告事務
(委託事務の処理方法)
第6条 委託先病院は,協定書を動物病院の窓口に掲示し,犬の所有者に知らせること。
2 町長は,委託先病院に対し,毎年3月1日までに,次年度分の鑑札及び注射済票の配布と合わせて,茨城町鑑札及び注射済票預託書(様式第5号)を交付するものとする。
3 委託先病院は,鑑札及び注射済票を受領したときは,茨城町鑑札及び注射済票受領書(様式第6号)を町長に提出するものとする。
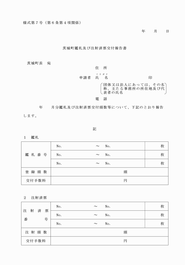
4 委託先病院は,実施月毎に犬の登録・注射済票交付申請書及び茨城町鑑札及び注射済票交付報告書(様式第7号)を実施月の翌月10日までに町長へ報告するとともに,登録手数料及び注射済票交付手数料を納付するものとする。
5 委託先病院は,鑑札及び注射済票並びに申請書を紛失し,又は破損した場合は,茨城町鑑札及び注射済票紛失等報告書(様式第8号)を,速やかに町長に提出するものとする。
(手数料収納事務)
第7条 委託先病院は,地方自治法(昭和22年法律第67号。以下「法」という。)第243条の2に規定する指定公金事務取扱者制度に基づき手数料収納事務(公金事務)を受託する。
2 委託先病院は,法第243条の2の2第1項に基づき,公金事務に関する事項を記載する帳簿を備え付け,保存しなければならない。
3 委託先病院は,法第243条の2の2第2項及び第3項に基づき,茨城町からの公金事務取扱に関する報告要求及び検査の求めに対応しなければならない。
(事故の処理)
第8条 本要領及び第2条第2項の規定による協定に基づいて,委託先病院が行う事務に係る事故の処理については,委託先病院及び町長の協議のうえ,処理をするものとする。
(その他)
第9条 この要領に定めるもののほか事務の委託に関し必要な事項は,町長が別に定める。
附則
(施行期日)
1 この要領は,公布の日から施行する。
(適用区分)
2 この要領の施行日の前日において,現に本要領に定める事務を受託しているものについては,従前の事務を行うものとする。ただし,要領第7条に定める事務は除く。







